以质创品牌  以诚树形象  以信赢天下    
官方微信号:valitt2018

解决方案 


持续提供面向未来的智能电气系统解决方案

工程典范


树立高端品牌形象,打造行业品质标杆

研发创新


致力于推动电气领域核心技术的革新     

服务中心


专业团队为您量身定制专属服务,确保快速、准确、优质

产品中心

PRODUCT CENTER



始终遵奉“以客为尊”、“以质为荣”、“持续改进”、“争创品牌”的经营理念;坚持以市场为核心,使电子电气的市场占有率逐步提高,竭诚欢迎各行业用户莅临参观考察、洽谈合作。

SVG静止无功发生器
    发布时间: 2019-02-22 09:01    
SVG静止无功发生器
概述
    科技的日新月异,电力电子技术不断更新换代并被大规模的应用到各种场合中,对于电力系统要求也越来越高,传统的补偿方式对部分冲击性负荷已无法完全满足使用要求,新型的补偿产品一静止无功发生器(SVG: Static Var Generator)采用由全控半导体器件与并网电抗,通过控制器实时检测负载电流,通过电流分解算法与控制算法,实现实时的双向无功(100%感性~100%容性)、不平衡补偿,能很好的解决众多场合中疑难问题。

主要优点
►响应速度快:SVG系列静止无功发生器响应时间小于100μs,可在极短的时间之内完成从容性无功功率到感性无功功率的相互转换,完全胜任对冲击性负荷的补偿。
►安全性能好:SVG系列静止无功发生器是电流可控型,不存在与系统阻抗发生谐振的可能,提高了电力系统和设备的安全性、稳定性。
►补偿性能好:同一套SVG系列静止无功发生器可以补偿正序(容性与感性)、负序、零序无功,可根据实际需求制定补偿相应的谐波及三相不平衡。
►兼容性能好:SVG系列静止无功发生器可以与传统的补偿方式任意组合、统一控制。

SVG的工作原理及其工作模式

SVG原理示意图
IL可以通过调节UI来连续控制,从而连续调节SVG发出或吸收的无功。

SVG的工作原理
►基于大功率换流器,以电压型逆变器为核心,直流侧采用直流电容为储能元件以提供电压支撑。在运行时相当于一个电压、相位和幅值均可调的三相交流电源。
►逆变器正常运行依赖于直流侧的电压支撑,在逆变器接入交流电源时,由各IGBT反向续流二极管构成整流器,对直流电容器充电;正常运行后,直流电容器的储能将会用来满足逆变器的内部损耗,电容电压会下降,必须不断的对电容器充电补能使电压保持在工作范围。通过使逆变器输出电压滞后系统电压一个很小的角度来实现,逆变器从系统吸收少最有功满足其内部损耗,保持电压水平。改变逆变器输出电压的幅值,达到发出或吸收无功的目的。

SVC与SVG比较
 
比起第一代和第二代无功补偿,第三代SVG无功补偿速度更快,补偿范围更广(容性感性可调)

SVG应用场合



技术参数


SVG常用规格选型表

尺寸变化恕不通知,以实际交货产品为准;如有疑问,请致电VALITT。
型号说明


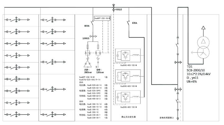
图纸画法



SVG模块结构示意图